Мембранный насос BOXER 150
Мембранный насос BOXER 150 ALU
Мембранные насосы в алюминиевом исполнении предназначены для перекачивания или дозирования нейтральных жидкостей с вязкостью до 40 000 мПас (4000 cCт).
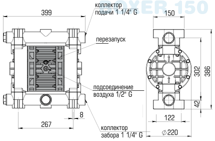
| Отверстия входа и выхода | G 1 1/4 |
| Входное отверстие для воздуха | G 1/2 |
| Мощность всасывания в сухом состоянии | 5 м |
| Максимальная мощность | 220 л/мин |
| Максимальное давление головки | 70 м |
| Макс. давление снабжения воздуха | 7 бар |
| Максимальный диаметр твёрдых частиц | 5,0 мм |
| Материал исполнения | Алюминий |
| МАХ Вязкость мПас | 10 000 |
| Мах температура С | 90 |
| Вес НЕТТО | 16 кг |
Мембранный насос BOXER 150 PP
Мембранные насосы в полипропиленовом исполнении коллектора предназначены для перекачивания или дозирования нейтральных и слабоагрессивных жидкостей таких как соляная кислота до 30%, серная кислота до 98%, гипохлорит натрия до 20%
| Отверстия входа и выхода | G 1 1/4” |
| Входное отверстие для воздуха | G 1/2” |
| Мощность всасывания в сухом состоянии | 5 м |
| Максимальная мощность | 220 л/мин |
| Максимальное давление головки | 70 м |
| Макс. давление снабжения воздуха | 7 бар |
| Максимальный диаметр твёрдых частиц | 5,0мм |
| Материал исполнения | Полипропилен |
| МАХ Вязкость мПас | 10 000 |
| Мах температура С | 60 |
| Вес НЕТТО | 12,0 кг |
Мембранный насос BOXER 150 AISI316
Купить мембранный насос в исполнении из нержавеющей стали предназначены для перекачивания пищевых жидкостей /горючих жидкостей имеют сертификат взрывозащиты по ATEX.
| Отверстия входа и выхода | G 1 1/4” |
| Входное отверстие для воздуха | G 1/2” |
| Мощность всасывания в сухом состоянии | 5 м |
| Максимальная мощность | 220 л/мин |
| Максимальное давление головки | 70 м |
| Макс. давление снабжения воздуха | 7 бар |
| Максимальный диаметр твёрдых частиц | 5,0 мм |
| Материал исполнения | Нержавеющая сталь |
| МАХ Вязкость мПас | 10 000 |
| Мах температура С | 90 |
| Вес НЕТТО | 21 кг |
Мембранный насос BOXER 150 PVDF
Мембранные насосы выполненные из PVDF предназначены для перекачивания или дозирования высоко агрессивных жидкостей концентрированных кислот таких как азотная кислота, плавиковая кислота и щелочей с высокой плотностью и вязкостью.
| Отверстия входа и выхода | G 1 1/4 |
| Входное отверстие для воздуха | G 1/2 |
| Мощность всасывания в сухом состоянии | 5 м |
| Максимальная мощность | 220 л/мин |
| Максимальное давление головки | 70 м |
| Макс. давление снабжения воздуха | 7 бар |
| Максимальный диаметр твёрдых частиц | 5,0 мм |
| Материал исполнения | PVDF |
| МАХ Вязкость мПас | 10 000 |
| Мах температура С | 90 |
| Вес НЕТТО | 14,0 кг |
График производительности

Габаритные размеры

Вернуться в каталог диафрагменный мембранный насос Boxer
Выбрать мембранный насос другого производителя














